Оглавление.
1. Введение и область действия.
2. Устройство и принцип действия УЗО.
2.1 Нормальный режим работы УЗО.
2.2 Срабатывание УЗО.
2.3 Электронные УЗО.
2.4 Параметры УЗО.
2.5 Обозначение УЗО на электрических схемах.
3. Проверка УЗО.
3.1 Проверка постоянным током.
3.2 Проверка переменным током.
4. Назначение УЗО.
4.1 Электробезопасность.
4.1.1 Защита от прикосновения к токоведущим частям.
4.1.2 Быстродействующее отключение при замыкании на
корпус.
4.2 Противопожарная безопасность.
5. Установка УЗО в схему.
5.1 Разделение объединенного нулевого (PEN)
проводника.
5.1.1 Для щитов с металлическим (токопроводящим)
корпусом.
5.1.2 Типичные ошибки при разделении PEN–проводника в
щитах с металлическим корпусом.
5.1.3 Для устройств с не проводящим электрический ток
корпусом.
5.2 Нулевой защитный и нулевой рабочий проводники.
5.3 Выбор типоразмера болтового соединения для ноля
сети по току нагрузки.
6. Поиск причин срабатывания УЗО.
6.1 Неверное подключение электроприемников.
6.1.1 Ошибки монтажа.
6.1.2 Ошибки проектирования.
6.2 Неисправность сети или электроприемников.
6.3 Алгоритм поиска причин срабатывания УЗО.
7. Приложение 1. Проверка УЗО с помощью универсального тестера.
7.1 Назначение устройства.
7.2 Принцип действия.
7.3 Инструкция по эксплуатации.
7.3.1 Проверка УЗО под напряжением.
7.3.2 Проверка демонтированного УЗО.
7.3.3 « Прозвонка» цепей.
7.3.4 Меры безопасности при использовании устройства.
8. Приложение 2. Контрольные лампы.
8.1 Проверка срабатывания УЗО.
8.2 Проверка типа УЗО.
1. Введение и область действия.
Прежде всего следует заметить, что устройств защитного отключения существует несколько видов, причем реагируют они на различные параметры электросети и защищают от различных поражающих факторов. В данной методике будут рассматриваться только электромеханические УЗО, реагирующие на дифференциальный ток (выключатели дифференциального тока), в дальнейшем тексте только они подразумеваются под аббревиатурой «УЗО».
Весь материал методики относится к электрическим сетям стандарта TN-C и TN-C-S.
Материалы данной методики рекомендуются к включению в программу обучения электротехнического персонала на 3-ю группу по электробезопасности и к включению в экзаменационные билеты.
2. Устройство и принцип действия УЗО.
Устройство УЗО демонстрирует рисунок 1.
Рис. 1. Устройство электромеханического дифференциального УЗО.
2.1 Нормальный режим работы УЗО.
Характеризуется тем, что результирующий магнитный поток 4-ех проводов электросети, пропущенных через магнитопровод 1, равен нулю или недостаточен для срабатывания электромагнитной защелки 2. Это условие выполняется при любом распределении нагрузки (одно-, двух-, трехфазная), так как любой ток, прошедший слева направо по схеме, вернется и обратно – на магнитопроводе ничего не наведется (магнитные потоки токов «туда» и «обратно» взаимно уничтожатся, ток I2 равен нулю).
2.2 Срабатывание УЗО.
Происходит, если появляется ток утечки (IУТ), то есть появляется электрическая связь между цепью, защищенной данным УЗО и любой другой цепью. В результате такой связи какая-то часть тока, проходящего через УЗО, вернется к источнику тока (на рисунке – «трансформаторная подстанция») помимо УЗО. В этом случае на магнитопроводе 1 образуется магнитный поток, пропорциональный току утечки, что, в свою очередь, наведет ток I2, который вызовет срабатывание электромагнитной защелки 2, которая при помощи механизма расцепления 3 отключит защищаемый участок сети (то, что правее по рисунку) от источника тока («трансформаторная подстанция»).
Ток утечки (IУТ) также называется дифференциальным (разностным, IД или I?) током.
2.3 Электронные УЗО.
Наиболее дорогая часть УЗО – магнитопровод 1, так как для срабатывания электромагнитной защелки 2 магнитопровод должен иметь очень хорошее качество (или большие габариты). Удешевить магнитопровод оказалось возможно, если питать электромагнитную защелку не от тока I2, а непосредственно от сети, а от I2 питать только электронный ключ, управляющий защелкой. Таким образом, электронные УЗО имеют существенный конструктивный недостаток – при ухудшении качества питающей сети (пропадание ноля, падение напряжения) они не отключаются даже в случае возникновения тока утечки.
2.4 Параметры УЗО.
УЗО подразделяются по следующим основным параметрам:
- числу полюсов – два для однофазной (трехпроводной) сети, четыре – для
трехфазной (пятипроводной) сети;
- номинальному току нагрузки – 16, 20, 25, 32, 40, 63, 80, 100 Ампер;
- номинальному отключающему дифференциальному току – 10, 30, 100, 300
мА;
- по типу дифференциального тока – AC (переменный синусоидальный ток,
возникший внезапно либо медленно нарастающий), A (то же, что и AC, плюс
выпрямленный пульсирующий ток), B (переменный и постоянный), S (задержка
времени срабатывания для обеспечения селективности), G (то же, что и S,
но время задержки меньше).
Следует отметить, что ток нагрузки УЗО ограничить не в состоянии и его (УЗО) необходимо защищать от токовых перегрузок и токов короткого замыкания (КЗ) аппаратами защиты (автоматическими выключателями, обеспечивающими как защиту от перегрузки по току, так и от токов КЗ, например, серии ВА-47-29, ВА-101 и т.д.). Ток нагрузки УЗО следует выбирать так, чтобы он был на ступень (номинального ряда токов) больше номинала тока автоматического выключателя защищаемой линии. То есть, если имеется нагрузка, защищенная автоматическим выключателем на ток 16 Ампер, то УЗО следует выбирать на ток нагрузки 25 Ампер.
2.5 Обозначение УЗО на электрических схемах.
Рис. 2. Обозначение УЗО на принципиальных электрических схемах. Слева – однофазное УЗО с током срабатывания 30 мА, справа – трехфазное УЗО на 100 мА. Сверху развернутое изображение, снизу – однолинейное. Число полюсов при однолинейном представлении можно изображать и числом (вверху) и числом черточек.
3. Проверка УЗО.
Настоятельно необходима, так как их высокая стоимость воодушевляет злоумышленников на выпуск и продажу разнообразных имитаций УЗО. Особенно актуальна стала проверка после введения в действие новых ПУЭ, предписывающих в ряде случаев обязательную установку УЗО, что расширяет рынок сбыта фальшивок.
3.1 Проверка постоянным током.
Обычно подделка заключается в том, что в корпусе электромеханического УЗО стоит электронное. Приведенная ниже методика проверки позволяет выяснить, является ли данное УЗО электромеханическим и убедиться в целостности внутренних сильноточных цепей УЗО.
1. Берем «пальчиковую» батарейку типоразмера АА (1.5 Вольта). Заготавливаем два отрезка гибкого (многопроволочного) медного провода сечением 0.35-0.75 мм2, зачищаем и облуживаем их на 7-10 мм с обеих сторон. Зачищаем оба полюса батарейки надфилем или шкуркой и мощным паяльником (60-100 Ватт) облуживаем полюса и припаиваем к ним отрезки провода.
2. Взводим УЗО. Если не взводится – неисправно.
3. Отрезками провода нашего «тестера» прикасаемся к двум выводам одного из полюсов УЗО (сверху и снизу). Если не срабатывает – меняем полярность (переворачиваем батарейку) и пробуем снова. Если не срабатывает при любой полярности – УЗО неисправно. Если сработало – идем дальше.
4. Повторяем пункты 2 и 3 для всех полюсов УЗО. Если не сработало хотя бы на одном – УЗО неисправно.
3.2 Проверка переменным током.
Позволяет проверить не только тип УЗО, но и соответствие тока срабатывания заявленному. Такую проверку можно проводить как при установленном по месту УЗО, так и при отключенном. Принцип проверки заключается в преднамеренном пропускании переменного тестового тока, имитирующего ток утечки, через полюса УЗО.
Для выполнения подобных проверок используются специализированные тестеры (смотри Рис. 3). Подробности проверки переменным током смотри в технических описаниях тестеров (Приложение 1.).
Рис. 3. Тестер УЗО универсальный.
Возможна также проверка типа и срабатывания смонтированных в электроустановку УЗО при помощи контрольных ламп – смотри Приложение 2. Контрольные лампы..
4. Назначение УЗО.
УЗО предназначены для отключения участка сети, из которого произошла утечка тока, численно равная или большая дифференциального тока данного УЗО.
4.1 Электробезопасность.
Наиболее важное применение УЗО – обеспечение электробезопасности
людей. УЗО обеспечивает:
- защиту от прикосновения к токоведущим частям;
- быстродействующее отключение электроприборов при замыкании на корпус.
4.1.1 Защита от прикосновения к токоведущим частям.
Рассмотрим случай прикосновения человека к фазному проводу сети – Рис.1. Через тело человека потечет ток, который для УЗО является током утечки. Если ток утечки превысит дифференциальный ток УЗО, то оно отключит участок сети, чем ограничит время протекания тока через тело пострадавшего. Тут следует отметить, что если человек прикоснется к фазе и к рабочему нулю, то для УЗО сопротивление тела человека ничем не будет отличаться от штатной нагрузки и отключения не произойдет, человек получит электротравму.
Для обеспечения минимально необходимого уровня безопасности людей от прикосновения к токоведущим частям требуется выбирать дифференциальный ток УЗО не более чем 30 мА.
4.1.2 Быстродействующее отключение при замыкании на корпус.
В случае защиты УЗО электроприемников с металлическим корпусом обеспечивается быстродействующая защита от короткого замыкания (КЗ) на корпус. Рассмотрим пример – защиту при помощи УЗО электронагревателя – Рис. 4.
Рис. 4. Защита УЗО электронагревателя.
Схема состоит из УЗО (QF1 по схеме) с дифференциальным током 30 мА, розетки с заземляющим контактом (з/к) XS1, вилки с з/к XP1 и электрического обогревателя, представляющего собой ТЭН, смонтированный в металлическом корпусе. Аппарат токовой защиты находится выше по схеме и условно не показан. Разделение PEN-проводника на схеме показано условно, для наглядности цепи тока утечки.
Если в электронагревателе произойдет короткое замыкание на корпус, то ток КЗ окажется для УЗО током утечки, и оно быстро сработает, отключив аварийный участок сети.
Тут следует разоблачить один предрассудок: считается, что при двухпроводной сети установка УЗО не имеет смысла. Действительно, в двухпроводной сети при замыкании на корпус электроприбора УЗО не отключит напряжение, так как нет тока утечки – Рис. 5.
Рис. 5. УЗО в двухпроводной сети.
Однако при прикосновении к корпусу аварийного электроприбора человека, стоящего на земле, ток утечки появится, и УЗО спасет человека от электротравмы. Таким образом, УЗО в двухпроводных сетях обеспечивает защиту человека от прикосновения к токоведущим частям, в том числе и при замыкании на корпус.
4.2 Противопожарная безопасность.
Некоторая часть пожаров вызывается токами утечки на землю, разогревающими место утечки вплоть до возгорания. Для пресечения подобных пожаров достаточно установить УЗО с дифференциальным током 100 мА или менее.
5. Установка УЗО в схему.
5.1 Разделение объединенного нулевого (PEN) проводника.
В тех случаях, когда УЗО устанавливается в электроустановку, питающуюся по 4-ехпроводной схеме (3 фазы + объединенный нулевой проводник, PEN-проводник), то есть по стандарту TN-C, требуется выполнять разделение объединенного нулевого проводника (PEN-проводника) на нулевой рабочий (N) и нулевой защитный (PE) проводники (перейти к системе TN-C-S). Подробнее о различиях нулевого рабочего и нулевого защитного проводников смотри в пункте 5.2.
Требования ПУЭ к разделению PEN–проводника гласят:
1. нулевой рабочий и нулевой защитный проводники запрещено присоединять
под один болт;
2. PEN-проводник для разделения присоединяется к PE-клемме,
надежно соединенной с N-клеммой.
5.1.1 Для щитов с металлическим (токопроводящим) корпусом.
Разделение PEN-проводника предпочтительно осуществлять на металлическом корпусе щита. Такое разделение демонстрирует рисунок 6.
Рис. 6. Разделение PEN-проводника на корпусе щита.
Совмещенный PEN-проводник вводного кабеля присоединяется к болтовому соединению XN2, смонтированному на корпусе щита. XN2 соединен также с ноль-клеммой «PE», служащей для распределения защитного нуля. Рабочий ноль берется от болтового соединения XN1, также смонтированного на корпусе щита. С XN1 допустимо брать несколько проводников рабочего ноля (например, для нескольких УЗО), но нельзя присоединять к нему PE или PEN проводники нагрузок.
В том случае, если нагрузкой является распределительный щит, питаемый по 4-ехпроводной схеме, то ее PEN-проводник следует присоединять к XN2 (не к ноль-клемме «PE» и не к цепям рабочего ноля).
Типоразмеры болтовых соединений XN1 и XN2 здесь и далее должны соответствовать требованиям пункта 5.3.
5.1.2 Типичные ошибки при разделении PEN–проводника в щитах с металлическим корпусом.
Нельзя разделять PEN-проводник в нулевой клемме входного УЗО – рисунок 7.
Рис. 7. Ввод PEN-проводника во входную клемму "N" УЗО – ОШИБКА!
Запрещено также соединять N, PE и PEN проводники под один болт – рисунок 8.
Рис. 8. Объединение N, PE и PEN проводников под один болт – ОШИБКА!
5.1.3 Для устройств с не проводящим электрический ток корпусом.
В случаях, когда разделение PEN-проводника требуется выполнить в устройстве с не проводящим электрический ток корпусом (например, в пластиковом боксе) следует вводить PEN-проводник на ноль-клемму PE – Рис. 9. При этом особое внимание следует уделить надежности соединения PEN-проводника с ноль-клеммой PE, например, зажать этот проводник под два винта ноль-клеммы. От надежности этого соединения зависит безопасность людей.
Рис. 9. Разделение PEN-проводника в токонепроводящем корпусе.
5.2 Нулевой защитный и нулевой рабочий проводники.
Нулевым рабочим называется проводник, присоединенный к нулевому выводу питающего трансформатора (к общей точке соединенных в «звезду» обмоток трансформатора) и по которому течет ток нагрузки. Рабочий нулевой проводник обозначается “N”.
Нулевым защитным называется проводник, присоединенный к нулевому выводу питающего трансформатора с одной стороны, и к токопроводящим частям электроприемников, подлежащим защите от появления на них опасного для жизни людей напряжения – с другой. К таким «токопроводящим частям электроприемников» относятся части, к которым при эксплуатации не исключено прикосновение человека – в основном корпуса (подробнее смотри в ПУЭ – «части, подлежащие занулению»). Нулевой защитный проводник обозначается “PE”. В нормальном режиме работы сети по нулевому защитному проводнику ток не течет.
Из определения рабочего и защитного нолей следует, что до определенной точки это один и тот же проводник (PEN-проводник), присоединенный к нейтрали трансформатора. Для сетей с глухозаземленной нейтралью можно считать, что PEN-проводник и нейтраль трансформатора – одно и тоже (Рис. 10). Обычно разделение PEN-проводника производится на главной заземляющей шине, устанавливаемой на вводе (по схеме) в электроустановку.
Рис. 10. Рабочий и защитный ноль.
Следует отметить, что называть нулевой защитный проводник «землей» неточно, так как с землей соединяются в равной степени оба ноля – и рабочий, и защитный (так как заземляется PEN-проводник – смотри Рис. 10). Более того, срабатывание защиты при замыкании фазы на корпус электроприбора происходит от тока, идущего по нулевому защитному проводнику, а не от тока через землю.
Резюмируя, следует отметить основное, с точки зрения использования УЗО, различие рабочего и защитного нолей – в рабочем ноле ток течет в нормальном режиме, а в защитном ноле – только при аварии электроустановки.
5.3 Выбор типоразмера болтового соединения для ноля сети по току нагрузки.
Для выбора типоразмера болтового соединения, обеспечивающего присоединение защитного (и рабочего) ноля составлена Таблица 1.
Таблица 1. Типоразмер болтовых соединений защитного зануления.
|
Тог нагрузки, Ампер. |
Типоразмер резьбы соединения |
Наименьший диаметр контактной площадки, мм |
|
до 16 |
М4 |
12 |
|
свыше 16 до 25 |
М5 |
14 |
|
свыше 25 до 100 |
М6 |
16 |
|
свыше 100 до 250 |
М8 |
20 |
|
свыше 250 до 630 |
М10 |
25 |
|
свыше 630 |
М12 |
28 |
6. Поиск причин срабатывания УЗО.
Все причины, вызывающие срабатывание УЗО (при эксплуатации электрических сетей), можно уложить в четкую классификацию.
- Неверное подключение электроприемников:
-
ошибки монтажа;
-
ошибки проектирования.
- Неисправность сети или электроприемников (падение сопротивления изоляции токоведущих частей электроустановки).
6.1 Неверное подключение электроприемников.
6.1.1 Ошибки монтажа.
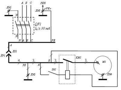
При подключении электроприемников через УЗО разводка фазных проводников обычно не вызывает затруднений. А вот неверное включение нулевых проводников встречается, при недостаточной квалификации персонала, сплошь и рядом. Типичную «трудность» представляет собой подключение трехфазных электроприемников с металлическим корпусом. Рассмотрим, например, включение через УЗО трехфазного электродвигателя – рисунок 11.
Рис. 11. Включение электродвигателя через УЗО.
На схеме условно не показаны аппараты токовой защиты и управления. Слева – верное подключение, справа – типичная ошибка. С токопроводящими корпусами электроприемников должен быть связан защитный, но никак не рабочий ноль.
Подобную ошибку бывает очень тяжело обнаружить, так как срабатывание УЗО происходит без видимых закономерностей. Какое-то время электродвигатель (по схеме справа) работает нормально, затем УЗО отключается, его включают и опять какое-то время электроустановка работает «нормально» и так далее. Причина срабатывания УЗО по схеме Рис. 11, справа – в утечке тока через рабочий ноль (N). Наличие тока утечки в правой схеме обуславливается тем, что корпус электродвигателя М1 (контакт XN3) так или иначе оказывается связан с землей, а через нее – с PEN-проводником (то есть с контактами XN1 и XN2). Величина тока утечки зависит от напряжения на PEN-проводнике относительно земли, а напряжение, в свою очередь, от тока через PEN-проводник (от того, насколько симметрична трехфазная цепь).
Особенно трудно диагностировать подключение рабочего ноля к корпусу электроприбора в том случае, если к одному УЗО подключена целая группа электроприемников. Достаточно ошибки при подключении только одного из них, и начинает нестабильно работать вся группа. Рассмотрим пример, имевший место на практике – рисунок 12.
Рис. 12. Часть схемы цеха.
Рисунок 12 демонстрирует часть схемы цеха, предназначенную для питания нескольких трехфазных станков. Через УЗО QF1, автоматический выключатель QF2 и клеммные коробки Кр1-Кр2 5-типроводным кабелем запитаны 5-тиконтактные розетки XS1-XS3. К розеткам при помощи вилок XP1-XP2 подключаются станки (число жил в кабеле от вилки к станку определяется схемой станка). Схемы станков показаны упрощенно. На схеме XN1 и XN3 – болтовые соединения, смонтированные на корпусе щита, а XN2 и XN4 смонтированы на корпусах соответствующих электроприемников.
Первым был включен станок М2 в XS3, при этом электрик, подключавший вилку с кабелем, допустил ошибку – соединил корпус станка (XN4) с рабочим нулем розетки. Однако электроприемник заработал нормально и электрик сдал его в эксплуатацию. УЗО срабатывало 1-2 раза за смену и включалось электротехнологическим персоналом, не сумевшим верно оценить характер (да и сам факт наличия) неисправности.
Затем был подключен станок М1 в XS1. При включении выключателя SA1 (в реальности схема управления пускателя КМ1 была гораздо сложнее) и срабатывания контактора УЗО отключалось, причем не всегда мгновенно. Был сделан ошибочный вывод о том, что в станке М1 происходит утечка тока в PE-проводник: либо в схеме ниже контактора, либо в цепях управления. Проверка сопротивления изоляции этих цепей оказалась весьма трудоемкой и не дала результатов – сопротивление изоляции электрической части станка было в норме.
Тогда в свободную розетку XS2 между фазой и рабочим нолем была включена «контролька» EL1. УЗО мгновенно отключилось. Был сделан вывод, что рабочий ноль заземлен, проверено сопротивление изоляции рабочего ноля станка М2 относительно РЕ-проводника и неисправность, наконец, была найдена и устранена.
6.1.2 Ошибки проектирования.
6.1.2.1 Электроприемники с PEN-проводником.
До сих пор выпускаются и продаются электроприемники, которые не предназначены для работы в сетях, оборудованных УЗО. Рассмотрим, например, упрощенную схему некоторых тепловентиляторов – рисунок 13.
Рис. 13. Электроприемник, не предназначенный для работы под УЗО.
Схема показана упрощенно – не показаны аппараты токовой защиты и ТЭНы. Цепи управления магнитного контактора (пускателя) КМ1 представлены выключателем SA1, подающим напряжение 220 Вольт на катушку пускателя. От выходных контактов КМ1 подается на электродвигатель М1, установленный на металлическом корпусе тепловентилятора. XN1, XN2 и XN3 – болтовые соединения, установленные на корпусе электроприемника, то есть электрически соединенные между собой. Таким образом, в объединенном нулевом проводнике при работе тепловентилятора течет ток катушки пускателя КМ1. Подключить такое устройство к УЗО не удастся – подключай PEN-проводник хоть к рабочему, хоть к защитному нулю – УЗО сработает.
Для подключения подобных нагрузок следует модернизировать электроприемник одним из двух способов.
Если все элементы электроприемника, кроме катушки пускателя (для нашего примера – электродвигатель вентилятора и ТЭНы) штатно работают без подключения ноля, то целесообразно установить катушку магнитного контактора на линейное напряжение сети – 380 Вольт, так, как показывает Рис. 14. В этом случае в нулевом проводнике тока не будет и он подключится как защитный нулевой проводник (PE).
Рис. 14. Модернизация тепловентилятора на 4-ехпроводную схему.
Здесь (Рис. 14) XN1 и XN3 – болтовые соединения, установленные на корпусе щита, а XN2 и XN4 – болтовые соединения, установленные на корпусе электроприемника.
Если же в электроприемнике имеется несколько элементов, требующих токоведущего (рабочего) ноля, то целесообразно разделить цепи нулевого рабочего и нулевого защитного проводников, так, как показывает Рис. 15.
Рис. 15. Модернизация тепловентилятора на 5-типроводную схему.
Здесь (Рис. 15) XN1 и XN3 – болтовые соединения, установленные на корпусе щита, а XN2 и XN4 – болтовые соединения, установленные на корпусе электроприемника.
6.1.2.2 Электроприемники с утечкой в защитный проводник.
Существуют электроприемники, у которых небольшой ток утечки в защитный проводник присутствует в нормальном режиме работы. Обычно это электротехнические изделия, спроектированные под сети, отличные от отечественных. Наиболее ярким примером таких приборов являются наиболее распространенные на рынке блоки питания персональных компьютеров. Причины утечки тока в защитный проводник демонстрирует Рис. 16.
Рис. 16. Источник тока утечки в блоке питания.
Аппарат токовой защиты находится выше по схеме и условно не показан. Разделение PEN-проводника на схеме показано условно, для наглядности цепи тока утечки.
На входе в импульсный блок питания (БП) для фильтрации высокочастотных помех установлены два конденсатора – С1 и С2. Как видно из схемы, их общая точка соединена с корпусом БП и, соответственно с корпусом всего устройства (корпус БП и корпус компьютера используется в качестве экрана). Утечка происходит через конденсатор (С2 по схеме) и определяется его емкостью.
Величина тока утечки составляет единицы миллиампер и одиночный компьютер не вызывает срабатывания УЗО с дифференциальным током 30 мА. Однако при питании от одного УЗО нескольких компьютеров их токи утечки суммируются и линия питания начинает работать нестабильно.
Возможно несколько безопасных путей преодоления подобных затруднений:
1. Заменить оборудование (или модернизировать существующее) на аналогичное, но не создающее утечки тока в защитный проводник.
2. Если стоит УЗО с дифференциальным током 10 мА, то есть смысл рассмотреть возможность его увеличения до 30 мА (однако не выше, так как при дифференциальном токе более 30 мА электробезопасность пользователей техники не обеспечивается).
3. Разбить группу компьютеров на несколько отдельных линий электропитания так, чтобы одно УЗО с дифференциальным током 30 мА защищало не более 2-ух потребителей с утечкой (в идеале – одного потребителя).
Чего не стоит делать в такой ситуации:
1. Ни в коем случае нельзя отключать от корпусов электроприемников защитный ноль, так как это резко снизит уровень электробезопасности.
2. Нельзя «обходить» УЗО по аналогичной причине.
6.2 Неисправность сети или электроприемников.
Выражается в падении сопротивления изоляции фазных проводников и рабочего ноля от земли ниже определенного уровня, при котором ток утечки становится достаточным для срабатывания УЗО. Схему, демонстрирующую включение сопротивлений изоляции токоведущих проводников, демонстрирует Рис. 17.
Рис. 17. Сопротивление изоляции.
На схеме (Рис.17):
· RL – сопротивление изоляции фазного проводника;
· RN – сопротивление изоляции нулевого рабочего проводника;
· RН – сопротивление нагрузки;
· IУТЕЧКИ – ток в защитном нулевом проводнике PE, вызванный включением в схему RL и RN.
Срабатывание УЗО происходит, когда ток утечки через поврежденную изоляцию становится больше, чем дифференциальный ток УЗО (QF1 по схеме). Примерно определить сопротивление изоляции фазного проводника, при котором УЗО отключит участок сети, можно из формулы:
– минимальное сопротивление
изоляции фазы, при котором УЗО не срабатывает;
UФ – фазное напряжение сети (напряжение между фазой и PE-проводником);
I? – дифференциальный ток срабатывания УЗО.
Определить аналогичное сопротивление изоляции для рабочего ноля не удастся, так как напряжение на нем относительно PE неизвестно (обычно единицы Вольт).
Частный случай срабатывания УЗО при RL =0 (КЗ на корпус) рассмотрен в пункте 4.1.2. Аналогично, срабатывание УЗО при RN =0 (рабочий ноль на корпусе) рассмотрен в пункте 6.1.1.
К основным причинам, вызывающим снижение сопротивления изоляции электроустановок, следует отнести: старение изоляции; повреждение изоляции (механическое, термическое или химическое); попадание воды (конденсация, затекание) на токоведущие части.
7. Приложение 1.Проверка УЗО с помощью универсального тестера.
Рис.18. Универсальный тестер УЗО (может быть другой модели).
7.1 Назначение устройства.
Тестер устройств защитного отключения универсальный (далее – тестер)
предназначен для проверки устройств защитного отключения (УЗО) как до
монтажа (например, при покупке), так и при приемке электроустановки в
эксплуатацию. Тестер имеет два режима:
- режим проверки УЗО под напряжением (смонтированным в схему) – в этом
случае проверяются как электронные, так и электромеханические УЗО вместе
с цепями защитного ноля к месту подключения тестера;
- режим проверки обесточенных (демонтированных) УЗО – он применяется при
покупке, перед монтажом в схему и позволяет отличить
электромеханические УЗО от электронных (то есть выявить часто
встречающуюся подделку).
Тестер позволяет проверять как однофазные (двухполюсные), так и трехфазные (четырехполюсные) УЗО.
7.2 Принцип действия.
Проверка УЗО производится намеренным пропусканием через полюс УЗО переменного тока достаточной для срабатывания величины. При проверке смонтированного в схему УЗО тестовый ток носит емкостной характер, при проверке демонтированного УЗО (щупами) – активный с гальванической развязкой от сети. Проверочный ток выбиорается величиной в 31 мА ±5%, то есть не сработавшее при испытаниях тестером УЗО подлежит отбраковке.
7.3 Инструкция по эксплуатации.
7.3.1 Проверка УЗО под напряжением.
Для проверки смонтированного в схему УЗО следует включить тестер в розетку с заземляющим контактом (находящуюся под напряжением), защищенную проверяемым УЗО. Щупы тестера должны быть разомкнуты. Зеленый светодиод должен загореться, если не загорелся – в розетке нет напряжения (зеленый светодиод служит индикатором сетевого напряжения). Нажать кнопку тестера – загоревшийся красный светодиод индицирует протекание тестового тока. Далее возможны 4 варианта:
1. После вспышки красного светодиода оба светодиода погасли. УЗО, равно как и цепи защитного ноля, исправны. Включить УЗО и перейти (при необходимости) к следующей розетке.
2. Светятся одновременно (при нажатой кнопке) оба светодиода – и зеленый и красный. Данная розетка не защищена УЗО, или УЗО неисправно. Защитный ноль подведен. Если испытуемое УЗО является электромеханическим, то демонтировать его и проверить щупами.
3. Зеленый светодиод светится, красный (при нажатой кнопке) – не светится. К розетке не подведен защитный ноль. До устранения неисправности проверка УЗО невозможна.
4. Зеленый светодиод погас, красный (при нажатой кнопке) светится. УЗО исправно, но схема собрана неверно (или имеет место неисправность) – при отключенном УЗО в розетках сохраняется напряжение.
7.3.2 Проверка демонтированного УЗО.
Такой проверке подвергаются только электромеханические УЗО, соответственно, тестером может быть выявлена иногда встречающиеся случаи продажи электронного УЗО под видом электромеханического.
Для проверки УЗО следует вставить тестер в находящуюся под напряжением розетку с заземляющим контактом. Зеленый светодиод (если щупы разомкнуты) загорится, индицируя наличие сети. Далее следует для каждого полюса выполнить приведенную ниже последовательность действий:
1. Взвести УЗО.
2. Щупами прикоснуться к выводам (ко входу и к выходу) одного из полюсов (фаз) УЗО. Погасание зеленого светодиода свидетельствует о протекании тестового тока через цепь УЗО. Далее возможны 3 варианта:
а) зеленый светодиод погас, но УЗО не сработало – выбраковать УЗО;
б) зеленый светодиод не гаснет при касании щупами полюса взведенного УЗО – обрыв данного полюса, УЗО отбраковать;
в) зеленый светодиод кратковременно погас, УЗО сработало, зеленый светодиод вновь зажегся – УЗО исправно.
3. Перейти к проверке следующего полюса.
7.3.3 « Прозвонка» цепей.
Допустимо использовать тестер для проверки целостности цепей, например, для «прозвонки» предохранителей. Погасание зеленого светодиода указывает на протекание в испытуемой цепи тока и соответственно, ее исправность. На выходе тестера в режиме холостого хода (при разомкнутых щупах) действует переменное напряжение с амплитудным значением 4 Вольта, что нужно учитывать при проверке цепей с некоторыми полупроводниковыми приборами.
7.3.4 Меры безопасности при использовании устройства.
- При использовании тестера соблюдайте Правила Техники Электробезопасности и Межотраслевые Правила Охраны Труда, а также настоящую инструкцию по эксплуатации. Проверки по §7.3.2 и 7.3.3 проводите только при ПОЛНОМ снятии напряжения с проверяемых цепей.
- Тестер предназначен для работы через розетку с заземляющим контактом. Запрещено использовать тестер при подключении любым другим способом, так как при нажатии кнопки на контакте «PE» тестера появляется напряжение 110 Вольт относительно земли, что опасно для жизни.
- Не допускайте попадания внутрь тестера инородных предметов и любых жидкостей, так как это может привести к утрате гальванической развязки между сетью и щупами тестера.
- Не подключайте щупы тестера к любым источникам напряжения (тока), так как это приведет к выходу тестера из строя.
- Не изменяйте электрическую схему прибора.
- Не эксплуатируйте тестер с поврежденным корпусом.
8. Приложение 2. Проверка УЗО контрольной лампой
Рис. 19. Контрольные лампы для электроустановок 220/380 Вольт.
8.1 Проверка срабатывания УЗО.
Такая проверка позволяет убедиться, что защищающее розетки УЗО и цепи защитного ноля исправны. Для проверки рекомендуется выбирать ток через контрольные лампы (смотри §6.2) при U=220 Вольт как первый номинал в сторону увеличения от дифференциального тока проверяемого УЗО. Например, для проверки УЗО с дифференциальным током в 10 или 30 мА следует вкрутить в контрольку лампы мощностью 10 Вт; для УЗО на 100 мА – 40 Вт.
Для проверки следует:
1. Проверить, что данная розетка находится под напряжением (убедиться, что контролька светится при присоединении к рабочему нулю и фазному контакту розетки, УЗО при этом не должно срабатывать).
2. Присоединить контрольку к фазному контакту проверяемого разъема и к контакту защитного ноля. Далее возможны 3 варианта:
а) УЗО отключило напряжение на линии. УЗО и цепи защитного ноля исправны.
б) Контрольные лампы светятся. Данная розетка не защищена УЗО, или УЗО неисправно. Цепи защитного ноля исправны.
в) УЗО не отключает линию, контрольные лампы не светятся. К розетке не подведен защитный ноль.
3. Перейти к следующей розетке.
8.2 Проверка типа УЗО.<
Проводится для того, чтобы отличить электронные УЗО от более безопасных электромеханических. Основана проверка на свойстве (и преимуществе) электромеханических УЗО срабатывать от протекающего через них тока (электронным УЗО для срабатывания требуется на входе напряжение сети).
Для проверки следует:
1. Отключить от входа УЗО все проводники, кроме одной (любой) фазы.
2. Взвести УЗО.
3. К выходу запитанного полюса УЗО присоединить контрольку
(обеспечивающую достаточный для срабатывания УЗО ток), другим щупом
присоединенную к защитному нолю сети (к PE-проводнику).
4. Электромеханическое УЗО отключится, электронное – нет.
Скачать:
Рекомендации по применению УЗО - Для чтения скрытого текста нужно войти или зарегистрироваться.























